1871-1934 közt működött az amerikai Philadelphiában alapított Nemzetközi Hajózási Társaság (International Navigation Co. – INC.), amely 1872-ben a belga kormánnyal közös leányvállalatot alapított, s azzal közös vállalatként hozta létre a Red Star Line hajózási társaságot az Antwerpen és New York/Philadelphia közötti postaszolgálat ellátására. A társaság számára 1873-ban épült az első NEDERLAND nevű utasszállító hajó, amely 1906-ig teljesített szolgálatot. Selejtezésekor azonban már 4 éve hatályban volt az a szerződés, amely alapján 1914 márciusában lefektették egy új, korszerű óceánjáró gerincét a belfasti Harland és Wolff Hajógyárban. Cikkünkben e hajó terveit és építéstörténetét mutatjuk be.
 
Prológus – új általános típusú óceánjáró születik:
Az akkor már három hajózási vállalatot – az amerikai American Line-t, a belga Red Star Line-t és a brit Inman line-t – tömörítő Nemzetközi Hajózási Társaság 1886-ban az amerikai befektetési bankár, John Pierpoint Morgan érdekeltségébe került, s 1900-1902 között további jelentős hajózási vállalatokkal bővült. Megszerezte az amerikai American Transport Line, a brit Leyland Line, White Star Line és Dominion Line részvényeit, és piacfelosztó megállapodást kötött a rivális német vállalatokkal, amelyekkel közösen szerezett egyenlő részesedést a németalföldi Holland-America Line-ban. 1902. október 1-től a vállalatcsoport Nemzetközi Kereskedelmi Hajózási Társasággá (International Mercantile Marine Co. – IMMC) alakult. A vállalategyesítésben aktív szerepet játszott William James Pirrie, a belfasti Harland & Wolff Hajógyár (H&W) tulajdonosa. Az ő közreműködésének elismerése-, egyben ellentételezéseképpen ettől kezdve az IMMC-hez tartozó vállalatok minden új hajóját a H&W építette, amely így egy csapásra a világ legnagyobb hajógyárává vált. 
John Pierpoint Morgan felismerte, hogy az észak-amerikai polgárháború után fellendülő amerikai gazdaság dinamikus fejlődése a századfordulóra olyan jólétet biztosított, amelyben egyre többen engedhették meg maguknak azt, hogy ne csak akkor induljanak útnak, ha muszáj. Megkezdődött és fokozatosan mind nagyobb jelentőségre tett szert a kedvtelési utazások korszaka. Az Atlanti-óceán mindkét partján jelentős hajózási érdekeltségekkel rendelkező J.P. Morgan ezért elhatározta, hogy az IMMC legújabb hajóit a harmadosztályon utazó kivándorló tömegek helyett döntően a jóval fizetőképesebb, de a szárazföldön megszokott luxust igénylő első osztályú utasok számára rendezi be. A tervezés és építés feladatát pedig W.J. Pirrie hajógyárára bízta.
Így kezdődött meg az OLYMPIC-osztályú óceánjáró hajók – az OLYMPIC, a TITANIC és a GIGANTIC (később BRITANNIC) tervezése, melynek során a gyorsaság helyett a méretet (több személyes teret) és a kényelmet, s ha nem is a rekord-, de az átlagosnál nagyobb sebesség mellett is gazdaságos üzemeltethetőséget állították a középpontba. A megtervezett hajók felépítése pedig azt is bebizonyította, hogy a legpazarabb luxus mellett viszonylag rövid idő alatt, sorozatgyártással, tömegméretekben is lehetséges jövedelmező hajókat építeni. (A típus első két hajója 3 év, 3 hónap és 16 nap alatt épült: az OLYMPIC-ot és a TITANIC-ot három hónap különbséggel lényegében párhuzamosan építették 1908.12.16.-1911.05.31. és 1909.03.31.-1912.04.02. között, s 1911.11.30-án a GIGANTIC építését is megkezdték.) A három testvérhajó közül elsőként felépült R.M.S. OLYMPIC sikere ezzel átütő erejűnek bizonyult, mivel a méret-luxus-sebesség-gazdaságosság kombinációjának ideális új sztenderdjét határozta meg és ezzel új típust teremtett az addig egymással elsősorban a gyorsaság tekintetében rivalizáló hajótársaságok versenyében.
Ezt a sikert pedig a TITANIC katasztrófája sem homályosította el…

1. ábra: A TITANIC, az OLYMPIC-osztály középső tagja, amely az osztály terveinek alapul vételével tervezett több hajó általános elrendezését inspirálta. Készítette: Dr. Balogh Tamás.
 
I.) A tervezés előzményei – a németalföldi hajótársaságok versenye:
Mivel a Harland & Wolff Hajógyárnak az OLYMPIC-osztály felépítéséhez szükséges kapacitás-bővítése és fejlesztése lehetővé tette az új típusú óceánjárók sorozatgyártását, egyszerre mindenki ilyen hajókat akart. Elsőként a Holland-America Line jelentkezett, amelynek az IMMC-vel való viszonya (az amerikai-brit-német piacfelosztás) kiszámítható növekedést garantált. Erre alapozva a H.A.L. 1912 márciusában elhatározta, hogy felépítteti az egész Németalföld legnagyobb utasszállító óceánjáróját és a hajót az OLYMPIC építőitől rendeli meg. A Harland & Wolff Hajógyár mérnökei a STATENDAM (II) névre keresztelt 32 234 tonnás új hajó specifikációjának elkészítéséhez az OLYMPIC-osztály terveit vették alapul, sőt a hajót ugyanazon a sólyatéren kezdték építeni, ahol az OLYMPIC testvére, a TITANIC is épült egy évvel korábban. A korábbi H.A.L.-hajók közül az 1905-ben épült negyedik ROTTERDAM volt a STATENDAM mintájául kiválasztott hajó. Az új gigász szerkezeti sajátosságai e hajó jellegzetességeit tükrözték vissza (a tervezésben mindazonáltal figyelembe vették a németalföldi rivális, a belga Red Star Line legutóbbi sikerhajója, az 1908-as építésű LAPLAND terveit is. A LAPLAND – tervezése és építése tehát többszörösen összekapcsolódott a Harland & Wolff Hajógyár fejlesztésével, s csúcsterméke, az OLYMPIC-osztály tervezésével és sorsával (mi több, a kapcsolat nemcsak a tervezés időszakában állt fenn, hiszen a LAPLAND szállította vissza Angliába az elsüllyedt TITANIC legénységét is 1912. április 28-án, 13 nappal a brit gőzöst ért szerencsétlenség és a legénységnek az amerikai szenátus előtti vallomástétele után).
A STATENDAM (II)-t 1912. június 11-én rendelték meg és napra pontosan két évvel később, 1914. június 11-én bocsátották vízre. Úgy tűnt, hogy közelgő befejezésével a H.A.L. jelentős versenyelőnyre tesz szert a Red Star Line-hoz képest. A belga vállalat azonban gyorsan reagált, s a Red Star Line igazgatója, a német Carl Eduard Strasser, a STATENDAM építéséről szóló első hírek vétele után alig egy hónappal saját tárgyalásokba kezdett a Harland & Wolff Hajógyárral, s 1912 júliusában ajánlatot kért a Harland & Wolff Hajógyártól egy új belga óceánjáró óriásgőzös felépítésével kapcsolatban, amely a holland STATENDAM méltó vetélytársa lehet, s amely egyesíti magában az OLYMPIC előnyös tulajdonságait. Az eredményes tárgyalások végén augusztusban meg is rendelte az új hajót, amelynek a BELGENLAND (II) nevet szánták. E hajó tervezése során a STATENDAM-hoz készült tervváltozatokat is felhasználták. Így – mivel a STATENDAM az OLYMPIC-osztálynak a sekélyebb holland vizekre optimalizált változata volt (lényegében egy kis TITANIC) – az is várható volt, hogy az OLYMPIC-osztály két „féltestvérrel” bővül. A Harland & Wolff tervezői megerősítették ezeket a várakozásokat: a tervasztalon egy a STATENDAM-nál alig valamivel kisebb, háromkéményes óceánjáró körvonalai bontakoztak ki. A méretbeli és a külső hasonlóság alapján (amit a három kémény is megerősített), valamint amiatt, hogy a két hajót csaknem egy időben építették, gyakran valódi testvérhajóknak tekintik őket.
 
2. ábra: A STATENDAM (II) és a BELGENLAND főbb jellemzőinek összehasonlítása.
3. ábra: A STATENDAM II. (fent) végleges tervrajza és a BELGENLAND első előterve (lent). Készítette: Dr. Balogh Tamás.
 
Ez a feltételezés azonban téves, amennyiben inkább azonos alapkoncepciót követve felépült típustervi konstrukciókról van szó. Ahhoz azonban, hogy két hajót egymás testvérhajójának lehessen tekinteni, ennél többre van szükség: 
A testvérhajó kifejezés kettős jelentésű. Köznyelvi jelentése arra utal, hogy két vagy több hajó között olyan nagy a hasonlóság, mint a családtagok között. Műszaki szempontból viszont csak azokat a hajókat lehet testvérhajónak tekinteni, amelyek nagyrészt azonos építési tervek alapján készültek és ennek eredményeként valamennyi jelentős tulajdonságukban megegyeznek. E tekintetben tehát az azonos típusú (osztályú) tengeri járműveket nevezzük testvérhajóknak, amelyeket rendszerint – de nem szükségszerűen – ugyanabban a hajógyárban és ugyanannak a megrendelőnek építenek, általában kis szériában, s a sorozatban az elsőt követő hajók tervein az elsőhöz képest egyáltalán nem, vagy csak jelentéktelen mértékben változtatnak. A testvérhajók építésének gyakorlati okai voltak: egy alapterv minimális módosítása sokkal kisebb ráfordítást igényelt a tervező és a gyártó cégtől, mint egy egyedi hajó megtervezése és legyártása (sorozatgyártás esetén a gyártási folyamatok egységesíthetők, az alkatrészek pedig szabványosíthatók), így rövidebb idő alatt több hajó építhető. Ezért teljesen szokványos volt, hogy a hajózási társaságok egyszerre több hajót rendeljenek azonos tervek alapján, hisz így hatalmas pénzösszegeket takaríthattak meg azzal, hogy a mérnökök csak egy tervet készítettek. Mivel a testvérhajókat gyakorlatilag majdnem egyformának szánták, az utasoknak sem volt oka jobban ragaszkodni az egyikhez, mint a másikhoz, így egy testvérhajó-sorozat egy hajótársaság arculatát is meghatározta. A testvérhajók gyártását azonban egy további körülmény is indokolta: mégpedig a menetrend-tervezés.
A XIX. század végén, a XX. század elején egyetlen gőzhajó – a hajó sebességét és az óceáni útra történő felkészítéséhez (utasok, élelmiszer, üzemanyag, rakomány felvételéhez) szükséges időt figyelembe véve – egy hónapban csak egyszer tudott volna átkelni az óceánon. Így túl sok idő telt volna el a járatindulások között és a sietős utasok nagy valószínűséggel egy másik társaság korábban induló járatára váltanak jegyet. Még a brit Cunard Line világhírű sebesség-rekorder óceánjárója, a 28 csomó (52 Km/h) sebességű LUSITANIA sem tudott 12 napnál gyorsabban megfordulni (6 nap oda, 6 nap vissza), s a White Star Line lassúbb, 24 csomó (45 km/h) sebességű OLYMPIC-ja is 15 naponta fordult (7,5 nap oda, 7,5 nap vissza). A Cunard-nak azonban csak két hajója volt (azaz nem tudtak 6 napnál sűrűbb járatot szervezni), a White Star három OLYMPIC-osztályú hajója azonban azt jelentette, hogy, ha mind szolgálatba áll, akkor 5 naponta útnak indulhat egy. Ez olyan előny, ami egy csapásra világossá teszi a testvérhajók gyártásának indokoltságát. 
A fentiekre tekintettel igaz ugyan, hogy a STATENDAM és a BELGENLAND ténylegesen az OLYMPIC-osztály terveinek felhasználásával épült, és a meghajtó-rendszerük is azonos volt, mégis több jelentős – a testvérhajókat szokásosan jellemző minimális különbségekhez képest sokkal jelentősebb – eltérés is megkülönböztette őket. Először is nem voltak egyforma nagyok, sem hossz/szélesség, sem befogadóképesség tekintetében. Azután a felépítményük általános elrendezése is több ponton eltért egymástól: a STATENDAM felépítménye jórészt egységesen, szinte megszakítás nélkül húzódott végig az egész hajón (ún.: teljes felépítmény), ami alapvetően modern megjelenést kölcsönzött a hajónak, a BELGENLAND viszont (noha a megrendelésére később került sor) mégis a régebbi óceánjárókra jellemző tagolt – ún. „szigetes” – felépítménnyel épült. A sétafedélzetek elrendezése is jelentős különbségeket mutatott. A STATENDAM-on (a TITANIC-hoz hasonlóan) egyetlen, az elülső végén üvegezett, a hátsó végén nyitott sétafedélzet húzódott végig. A BELGENLAND-on viszont (az OLYMPIC-hoz hasonlóan) két sétányt alakítottak ki: fent egy, az elülső végén üvegezett, a hátsó végén nyitott-, egy fedélzettel lejjebb pedig egy teljes hosszában nyitott sétafedélzettel (annak ellenére, hogy az akkor már közlekedő OLYMPIC első útjai bebizonyították, hogy az utasok az üvegezett helyett a nyitott sétafedélzetet kedvelik). Ez a két-sétafedélzetes elrendezés látható a Harland & Wolff Hajógyár 1908-as gyártmányain – a Holland-America Line részére épült ROTTERDAM (IV) és a Red Star Line-nak készült LAPLAND óceánjárókon – is. Érdekes egybeesés, hogy e hajóknál is megfigyelhető ugyanaz a jellegzetesség, mint a STATENDAM és a BELGENLAND esetében, hogy tudniillik a Holland-America Line hajói korszerűbb, a Red Star Line hajói hagyományosabb megjelenésűek. Mivel mindkét hajópáros esetében a holland megrendelésre készült hajót bocsátották vízre először, a formatervezés ilyen eltéréseit nem lehet az időközben végbement fejlődéssel megmagyarázni: a Red Star hajók konzervatív formavilága tudatos döntés eredménye, ami azt jelzi, hogy a belga társaság számára egyértelműen régebbi konstrukciójú óceánjárók terveinek felhasználásával készült terveket ajánlottak fel, amely azokat elfogadta.

4. ábra: BELGENLAND első (fent) és második (középen) előterve, valamint a hajó végleges profilja (lent) a cirkálófarral. Az első két tervváltozatok közötti fő különbség a hagyományos farkosár cirkáló-farral történt felváltása. Az utolsó két tervváltozat közötti fő különbség ehhez képest a tatfelépítmény kialakítása: a második előterven még az elsővel azonos sétafedélzetes kialakítást a végleges terveken szigetes kialakítás váltotta fel, a hagyományos ostornyeles csónakdarukat pedig Welin-darukra cserélték. Forrás: National Museums of Northern Ireland, Peter Meeresman, Balogh Tamás.
 
A STATENDAM és a BELGENLAND közötti különbséget tovább fokozta, amikor a Red Star Line számára készült 1912-es előterveket módosították és a BELGENLAND hagyományos elliptikus, kosár-alakú far-kiképzését az akkoriban divatossá váló ún. „cirkálófarral” helyettesítették (ez volt a BELGENLAND formatervének gyakorlatilag az egyetlen modern eleme). A cirkálófarra azonban nem a divatos dizájn miatt, hanem nagyon is praktikus okokból volt szükség, tudniillik a megrendelők számítottak rá, hogy a BELGENLAND-nak alkalmasint a kiépített rotterdami kikötőtől távolabbi horgonyzóhelyen, a városba vezető Schelde-folyó torkolata előtt, a nyílt tengeren kell horgonyt vetnie, amíg a dagályra várakozik, hogy a magas vízállás mellett felhajózhasson a folyón Rotterdamig, ezért egy farhorgonyt is beépíttettek a hajóba. A horgony, a gép és a horgonylánc számára azonban helyre volt szükség, ezért módosítani kellett a terveket (a cirkálófar hozzáadása végül 7 m-rel – 205-ről 212 m-re – növelte a hajótest maximális hosszát).
A cirkáló-far – amint a neve is mutatja – a hadihajózásban jelent meg a XIX. században, ahol azt a célt szolgálta, hogy felülről védje a víz alatt elhelyezett kormánylapátot. Az óceánjárókon a XX. század első éveiben terjedt el annak köszönhetően, hogy jelentős előnyt biztosított a stabilitást és a sebességet befolyásoló vízvonalhossz és az utasok elhelyezésére használható fedélzeti felületek kedvező növelése tekintetében. Személyszállító hajón első ízben 1909-ben alkalmazták (a Kanada Csendes-óceáni partvidékén közlekedő PRINCE RUPERT és PRINCE GEORGE utasszállító gőzhajók esetében). Óriásgőzösön pedig az 1912 márciusában vízrebocsátott ALSATIAN atlanti- és az 1912 augusztusában vízrebocsátott EMPRESS of RUSSIA csendes-óceáni óceánjárók esetében használták először. Így a BELGENLAND a második atlanti óriásgőzös volt, amelyik cirkálófart kapott (egyes források szerint az első, de – figyelembe véve, hogy az ALSATIAN-t korábban tervezték, mint, ahogy a BELGENLAND-ot megrendelték – ez valószínűtlen).
Minderre tekintettel biztosan kijelenthető, hogy a BELGENLAND nem volt a STATENDAM testvérhajója, s a két németalföldi hajó sem volt az OLYMPIC-osztályú hajók testvére. Viszont mindketten olyan óceánjárók voltak, amelyek tervezésére nyilvánvaló közvetlen hatást gyakorolt az OLYMPIC-osztály – konkrétan az OLYMPIC – sikere. Ezért helyesebb a németalföldi hajókat egymás és az OLYMPIC-osztály „féltestvérének” tekinteni, hisz’ kétségtelen, hogy, ha e hajók nem is tartoztak egy típusba, terveik jellegadó közös vonásai alapján mégis ugyanannak a típuscsaládnak a tagjai. Ezek után egyetlen kérdés maradt csupán a BELGENLAND „rokonságának” azonosításával kapcsolatban, az tudniillik, hogy vajon egyedi hajóként épült-e, vagy egy sorozat részeként neki magának is lettek volna testvérhajói. Nos, az a válasz, hogy egy testvére biztosan lett volna, mégpedig a valamivel kisebb – 26 500 (más források szerint valamivel nagyobb, 35 000) tonnás – NEDERLAND, amelyet 469-es gyártmányszámmal kezdtek építeni a GIGANTIC 1914. február végére tervezett vízrebocsátása után (a 2-es számú sólyatéren, ahol előzőleg az OLYMPIC-ot építették). Ez a hajó azonban soha sem készülhetett el, mivel a TITANIC elsüllyedése miatt az építés alatt álló GIGANTIC biztonsági berendezéseit át kellett alakítani, így a hajó befejezése késett, s hamarosan kitört az első világháború...

5. ábra: Az OLYMPIC-osztály terveinek alapulvételével fejlesztett típus-család. A mintaadó TITANIC (fent), a STATENDAM (középen) és a BELGENLAND (lent) eredetileg tervezett megjelenése. Bár utóbb – az építés közben – mindkét hajó tervein módosítottak (a STATENDAM-ot háborús csapatszállítóvá építették át, a BELGENLAND kosár alakú tatját pedig ún.: cirkáló-far váltotta fel), a TITAINC-kal való kapcsolat ennek ellenére is kimutatható. Készítette: Dr. Balogh Tamás.
 
II.) A NEDERLAND építése – Szétfoszlott remények:
A BELGANLAND gerincfektetésére 1912 októberében – négy hónappal a STATENDAM gerincfektetése után – került sor. A belfasti Queens Island északi részén lévő három sólyapályán ekkor három óriás épült egyszerre: az 1-es sólyatéren a BELGENLAND, a 2-esen a BRITANNIC, a 3-ason pedig a STATENDAM. 1914. július 28-án azonban Ausztria-Magyarország hadat üzent az osztrák-magyar trónörökös pár merénylőit fegyverrel támogató Szerbiának. A helyi háború gyorsan eszkalálódott és – egy hónap sem telt el – világháborúvá terebélyesedett. A Franciaország ellen felvonuló német hadsereg augusztus 3-án lerohanta Belgiumot, mire az ország semlegességét garantáló Nagy-Britannia másnap hadat üzent Németországnak. Szeptember 28-tól október 10-ig tartó ostrom után a németek megszállták Antwerpent, a Red Star Line honi kikötőjét, a belga hadsereg maradéka pedig a tengerpart irányába vonult vissza, ahol a brit expedíciós haderő gyülekezett. A brit erők a Doveri Őrjárat megszervezésével igyekeztek folyamatos utánpótlást fenntartani Dél-Anglia és a kontinens között. A belga hadsereg támogatására hivatott part menti bombázások céljára a brit királyi haditengerészet elavult, pre-dreadnought típusú csatahajóit használták az őrjárat kötelékében. Ezeket a régi páncélosokat azonban hamarosan új építésű, kifejezetten a németalföldi sekély vizekre tervezett kis merülésű, de nehéz csatahajó-lövegekkel felfegyverzett tengeri monitorokkal váltották fel.
A tengeri monitorok építését az tette lehetővé, hogy a Németország elleni brit tengeri blokád miatt a Görögország részére Hamburgban építés alatt álló SALAMIS dreadnought típusú csatahajó Amerikában készült, négy darab ikercsövű lövegtornyát a gyártó Betlehem Acélművek nem tudta leszállítani. A lövegtornyok csak Nagy-Britanniáig jutottak, ezért az amerikaiak a brit haditengerészetnek ajánlották fel megvételre azokat. A flotta ekkor utasítást adott 4 db, 6 250 tonnás, 102 m hosszú, 27,5 m széles, de csak 3 m merülésű tengeri monitor, az ABERCROMBIE-osztály megtervezésére, majd rövidesen két további tengeri monitor-sorozat, a LORD CLIVE-osztály (8 db) és az EREBUS-osztály (2 db) felépítésére.
A Harland & Wolff Hajógyár rendelési könyve tele volt a háború kitörésekor: több mint 400 000 tonnányi hajótér építésére volt érvényes szerződése a vállalatnak. E hajótér legnagyobb részét a vegyes üzemű személy- és áruszállító hajók tették ki, amelyeket a cég belfasti telepén és a Glasgow melletti Clyde-parti Govan-ben építettek. A háború kitörésekor a govani telepet azonnal átállították a haditengerészeti megrendelések teljesítésére, itt elsősorban a cirkálók gyártását tervezték.

6. ábra: Egy EREBUS-osztályú, tengerparti bombázásokra készült, csatahajó-ágyúkkal felszerelt nyílt tengeri monitor. Forrás: Warthunder Forum.

7. ábra: A Harland & Wolff Hajógyár gyártási ütemtervének a nyílt tengeri monitorok építése miatti átalakítása (piros betűvel szedve a tervezett, de a háború kitörése miatt törölt óceánjáró-építések).
 
A belfasti telephely a 14-ből 8 tengeri monitor felépítésére akart vállalkozni, de nem volt egyszerű feladat megfelelő építési helyet találni ennyi új, széles hadihajó számára abban az időben, amikor a legtöbb széles hajógyári sólya csaknem teljesen foglalt volt. Ám – mivel a hajótársaságok többsége a háború hírére elhalasztotta az új óceánjárók felépítésére vonatkozó megrendelését – a Harland & Wolff Hajógyár mégis ajánlatott tehetett öt nyílt tengeri monitor építésére. William Pirrie úgy számított, hogy ezek közül kettőt az 1-es sólyatéren építenek majd, amelyet akkor még az épülő BELGENLAND foglalt el. A helyén következőként eredetileg a Union Castle Line AMROTH CASTLE nevű óceánjáróját tervezték felépíteni, amely végül sohasem készült el (helyette épült fel 1921-ben az ARUNDEL CASTLE). További két tengeri monitor gerincét pedig a 3-as számú sólyatéren fektették le, ahol a STATENDAM vízrebocsátása után a White Star Line 33 000 tonnás HOMERIC-jához kezdték meg az építőanyag felhalmozását.
A HOMERIC-ot eredetileg GERMANIC néven kezdték építeni 1914. július 9-én– nevét a háború kitörése miatt változtatták meg – 470-es gyártmányszámmal (amit a félkész hajótest lebontása miatt a háború után a LAURENTIC II kapott meg). A hajó 228,3 m hosszú, 27 m széles 33 600 tonna térfogatú és 19 csomó – 35,2 km/h – sebességű lett volna, s az egyetlen fennmaradt szűkszavú leírás szerint „ADRIATIC-típusú” óceánjáró lett volna, három hajócsavarral. A tengeri monitorok építése érdekében azonban a HOMERIC elkészült fenékrészét visszabontották, s az építést sohasem kezdték újra.

8. ábra: A belfasti Altergrove reptér hangárjai, amelyek a NEDERLAND építőanyagából készültek. Forrás: UK Airfield Guide.
 
A 391-es gyártmányszámú BELGENLAND építése 1912 októberében kezdődött, a 469-es NEDERLAND gerincfektetésére pedig 1914. március 2-án került sor. A két hajó építése 1914 augusztusáig gyorsan haladt, ám attól kezdve – a tengerészeti megrendelések miatt – egye lassult a munka, s a NEDERLAND esetében 1914 novemberében le is állt. (Az addig elért előrehaladás az IMMC által a háború után benyújtott kártérítési igény indoklása szerint a következő volt: „A hajógerincet és a kettős fenék középső szerelvényeit felállították és hidraulikusan szegecselték, a hajótest a kettős fenék magasságában elkészült, s a kettős fenék felét be is fedték. E munkálatok ellenértékeként 80 000 fontot fizettek ki”, ezen kívül a teljes hajó felépítéséhez szükséges összes építőanyagot előre megvásárolták és kifizették a Harland & Wolffnak. A per sikerrel zárult: az IMMC 1920-ban kártérítést kapott.) A bordákat és gerendákat végül szétbontották (ez a munka is 8 000 fontba került) s az alkatrészeket a belfasti Altergrove reptér hangárjainak építéséhez használták fel. 
 
III.) A NEDERLAND általános elrendezése:

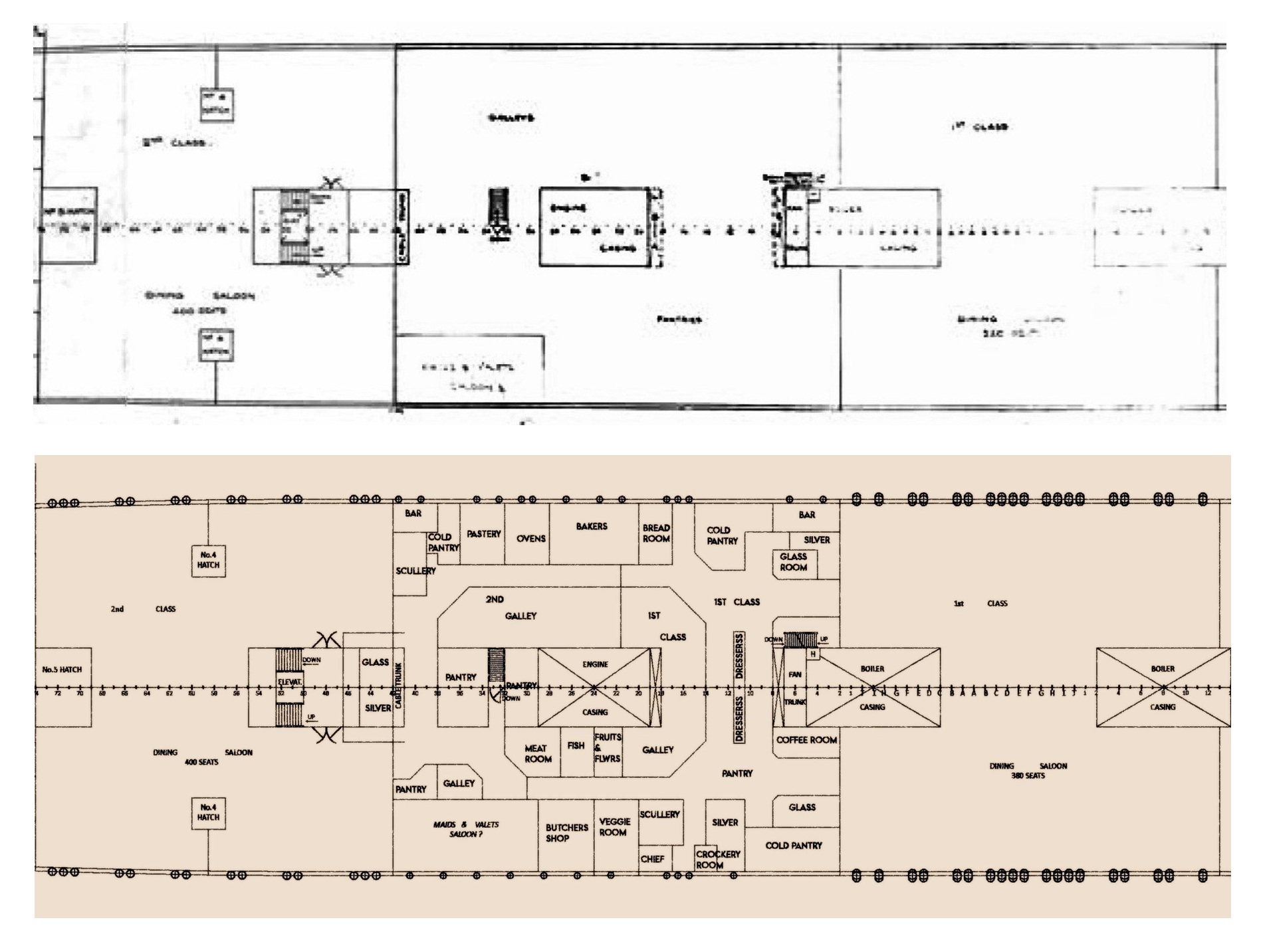
9. ábra: A BELGENLAND (fent) és a NEDERLAND (lent) általános elrendezésének hosszmetszete.
 
Vajon pontosan hogyan nézett volna ki a félbehagyott hajó, ha felépül? Erre a kérdésre nem lehet pontos választ adni, mert nem maradtak fenn a tervei. Mindössze az általános elrendezés egyetlen hosszmetszeti rajza ismert, de azt nem lehet tudni, hogy ez a rajz vajon a végleges tervekhez tartozik-e, avagy egy megelőző tervfázis része (ún.: előterv). Hiszen még azelőtt, hogy megtörtént volna a megrendelés, dönteni kellett a hajó fő műszaki jellemzőiről és általános elrendezési rajzáról (general-arrangement plan), amelyen feltűntették a rakomány, az üzemanyag, a ballaszt, a legénység és az utasok elhelyezésére szolgáló tereket. Ez a terv volt hivatva teljes, átfogó képet adni a leendő hajóról, ezért a hajótestre és a gépészetre vonatkozó részletes specifikációkkal egészítették ki. Ez az általános elrendezési rajz és a specifikációk képezték a megrendelő és a hajógyár közötti szerződés alapját, s többször is átdolgozhatták a megrendelő igényeinek változása szerint. A NEDERLAND fennmaradt hiányos tervei alapján annyit lehet biztosan tudni, hogy a hajó hossza 720 láb (220 m), szélessége 83 láb (25 m) lett volna, 11 fedélzetet, 2 árbocot, cirkáló-fart és az OLYMPIC-osztályú hajókkal azonos (egy dugattyús gőzgéppárból és az azzal sorba kapcsolt gőzturbinából álló) vegyes meghajtó-rendszert kapott. Minden más rejtély.
Az is, hogy a hajónak végül is valóban 3 kéménye lett volna úgy, ahogyan azt a tervrajzon látjuk. Feltűnő ugyanis, hogy mennyire kiegyensúlyozatlan a hajó profilja: a kémények szokatlanul elöl állnak, ami nem jellemző a Harland & Wolff Hajógyár korabeli konstrukcióira, és a tervezés alapját jelentő belga, holland, brit hajók – a BELGENLAND, a STATENDAM (II) és az OLYMPIC-osztály – terveit sem jellemzi.

10. ábra: Az OLYMPIC-osztály (fekete) és a NEDERLAND (piros) arányai. Készítette: Dr. Balogh Tamás.
 
Az OLYMPIC-osztály hajóit ráadásul éppen hogy a leginkább kiegyensúlyozott profilú óceánjárókként tartja nyilván az ipari formatervezés története. Hiszen az osztály hajóit a többi transzatlanti óceánjárótól megkülönböztető fő jellegzetesség a tervezés arányos és szimmetrikus mivolta volt, amennyiben a hajók árbocai azonos távolságra álltak az orr- és a fartőkétől (a hajó elülső és hátsó végétől), az árbocok és a kémények közötti távolság pedig azonos volt végig az egész hajón, akárcsak az emelt orr- és a tatfedélzetek hossza és a középső felépítménytől vett távolsága. Mindez az alacsony és magas részek kivételesen egyenletes ritmusát kölcsönözte a hajónak, amit a középső felépítmény fedélzeteinek elegáns megjelenése – a nyitott és zárt fedélzetek holisztikus kialakítása tett egységessé.
Ennek a ritmusos, egyben elegáns arányosságnak a NEDERLAND tervei esetében nyoma sincs: a hajó hátsó kéménye a teljes hajóhossz felezővonalán áll! A hajó első kémény elé eső részeinek hosszát másfélszeresen múlja felül a hátsó kémény mögé eső részek hossza. Ettől az egész hajó olyan benyomást kelt, mintha az egész hátsó részét egyfajta koloncként vonszolná magával. A hosszmetszeti tervrajzon ráadásul az is egyértelműen megfigyelhető, hogy a kéményeket „sűrítették”, azaz szándékosan csökkentették a köztük lévő távolságot annak érdekében, hogy több kéményt állíthassanak fel annál, mint amire műszaki szempontból feltétlenül szükség lett volna. (A kémények közötti távolság olyan kicsi, hogy például az első és a második kémény füstaknái között nem is fér el más, csak az első osztályú lépcsőház és liftakna, ennél még a BELGENLAND esetében is csaknem kétszer nagyobb a kémények közötti tér). A terveken (9. ábra) jól látszik ugyanis, hogy minden kéménybe csak egyetlen kétvégű kazán-sort kötöttek be, míg az OLYMPIC-osztály esetében kéményenként kettőt. Az OLYMPIC-osztályú óceánjárók és a NEDERLAND közötti méretkülönbség ezt nem indokolja, hiszen az OLYMPIC-osztálynál szintén jóval kisebb BELGENLAND kéményeibe is 2-2 kazánsort kötöttek be.
Ennek az elrendezésnek csak akkor van értelme, ha nem 3, hanem 4 kémény felállítása a cél. Egy 4. kémény felállítása esetén ugyanis a NEDERLAND profilja éppen olyan kiegyensúlyozott lett volna, mint a tevei elkészítéséhez mintaként felhasznált összes többi hajóé. Ezt csak még nyomatékosabbá teszi az a tény, hogy a tervrajz alapján a NEDERLAND a felső fedélzetei teljes hosszában, egészen a hátsó árbocig megszakítás nélkül végighúzódó, úgynevezett teljes felépítményt (full superstructure) kapott. Ha a NEDERLAND is a testvérhajójához, a BELGENLAND-hoz hasonló, osztályok szerint szétválasztott, tagolt, ún.: „szigetes” felépítményt (insulated superstructure) kapott volna, az bizonyos mértékben talán képes lett volna a harmadik kémény mögötti részek hosszának aránytalanságát mérséklő optikai hatást kelteni. Mégsem ez történt. Mindezek alapján – és a Harland & Wolff Hajógyár korabeli tervezési gyakorlata ismeretében – nem teljesen alaptalan azt feltételezni, hogy a NEDERLAND fennmaradt hosszmetszete nem a végleges tervkészlet része. Igazság szerint a tervrajznak éppen a kémények elrendezésére vonatkozó részlete az, amelyik azt sugallja, hogy talán egy köztes tervállapotot látunk, amellyel a tervezők pont egy negyedik kémény felállításáról kívánják meggyőzni a megrendelőt.
A sétafedélzetek elrendezését illetően még ennyi támpont sincs. A sétafedélzetek számára csak következtetni lehet abból, hogy a hajók fedélzetén az utasok számára elérhető szolgáltatások kínálatának viszonylagos kiegyensúlyozása érdekében a Harland & Wolff tudatosan törekedett arra, hogy lehetőleg minden osztálynak jusson saját sétafedélzet is a hajón. Ezek hossza és zárt (üvegezett), vagy éppen teljesen nyitott kialakítása azonban már csak a tervezés utolsó fázisában dőlt el, ezért erre nézve a fennmaradt tervekből nem lehet megalapozottan következtetni. Legfeljebb a tervezés során előzményként felhasznált többi kortárs hajó – a BELGENLAND, a STATENDAM (II) és az OLYMPIC-osztály – tervei szolgálhatnak mintaként, de az ezekből levont következtetés sem több mint puszta spekuláció. A sétafedélzetek lehetséges különböző elrendezésére vonatkozó elképzelések tehát a fantázia szüleményei, ha úgy tetszik művészi impressziók, amelyeket a fennmaradt egyetlen tervrajz csak a legcsekélyebb mértékben (a sétafedélzeteknek a hajón belüli körülbelüli elhelyezkedése tekintetében) tud megerősíteni.
Akad olyan rekonstrukció, amely abból indul ki, hogy a hajót a tervrajz szerinti kémény-elrendezéssel tervezték felépíteni, azt feltételezve, hogy az utolsó kémény és a hátsó árboc közötti szabad területet, valamint a hátsó árboc mögötti felépítmény tetejét a Harland & Wolff saját tervezésű, egyszerre több mentőcsónak kezelésére képes darurendszere számára alakították ki. Amikor a TITANIC elsüllyedésének körülményeit vizsgáló amerikai kongresszusi és brit parlamenti vizsgálóbizottság mellett a White Star Line saját belső vizsgálata is megerősítette, hogy a hajó mentőcsónakrendszere elégtelen volt (a hajón szállított mentőcsónakokban durván csak az utasok felének volt hely), a Harland & Wolff gyorsan reagált, s a szintén belfasti székhelyű Armstrong Hajó- és Gépgyárral közösen 1912. november 22-én közös szabadalmi kérelmet nyújtott be, amelyet a hatóságok 1913. augusztus 14-én fogadtak el. A köznyelvben később csak „állvány-daruknak” (gantry davits) nevezett konstrukcióval csónakállásonként egyszerre akár 6 csónakot is kezelhettek, amelyeket a darukarok közötti állványok tartottak, egymás felett több sorban. A Harland & Wolff ezt a mentőcsónakrendszert alkalmazta a BRITANNIC esetében is, a hajónak a TITANIC elsüllyedése utáni - a tragédia tanulságainak levonását követő - áttervezése során. Ez aztán ki is jelölte a fejlesztés irányát: a fő hangsúlyt a biztonságra helyezték, minden más szempont jelen-tősége csökkent, a Harland & Wolffnál tervezett hajók híres, arányos és kiegyensúlyozott profiljával kapcsolatos esztétikai elvárások fontosságát is beleértve.
Az említett rekonstrukció készítői szerint a NEDERLAND esetében is a BRITANNIC-ra tervezett csónakdaru-rendszert kívánták alkalmazni, amit szerintük megerősít a daru-rendszer kifejlesztésének és a NEDERLAND tervezésének időbeli közelsége, és az a tény, hogy a daru-rendszert a BRITANNIC mellett később további Harland & Wolff-hajókon is alkalmazták. Azt azonban, hogy a NEDERLAND-on is alkalmazták volna, a fennmaradt tervrajz nem támasztja alá, mivel a mentőcsónakokat egyáltalán nem tűnteti fel. Az „állvány-daruk” alkalmazása ezért csupán feltételezés, amelynek megalapozottsága ellen szól az is, hogy a BRITANNIC-kal egyszerre épült Harland & Wolff hajók közül sem a STATENDAM-ot, sem a BELGENLAND-ot nem szerelték fel velük.

11. ábra: A NEDERLAND 3 kéményes kivitelben, a BELGENLAND sétafedélzet-elrendezésével, állvány-darukkal. Liam Sharp 2021-es rekonstrukciója alapján készítette: Dr. Balogh Tamás.
 

12. ábra: A NEDERLAND 3 és 4 kéményes kivitelben, az OLYMPIC (fent), a TITANIC/STATENDAM II (középen) és a BELGENLAND (lent) sétafedélzet-elrendezésével. Készítette: Dr. Balogh Tamás.
 
Erre tekintettel közreadjuk azokat az ábrákat, amelyek a BELGENLAND, a STATENDAM (II) és az OLYMPIC-osztály sétafedélzet-elrendezését vetítik rá a NEDERLAND fennmaradt hosszmetszete felhasználásával elkészített jellegrajzra, amelynek a 3 és a 4-kéményes változata is megtekinthető (fent). Az OLYMPIC-osztály és a négykéményes változat sziluettjének összehasonlítása, valamint az utóbbi alapján készített jellegrajznak a Liam Sharp féle rekonstrukció állványdaruival kiegészített koncepció-terve pedig alább megtekinthető.
 


13. ábra: A NEDERLAND négy kéménnyel, állványdarukkal és a BELGENLAND sétafedélzet-elrendezésével. Készítette: Balogh Tamás.
 
Epilógus:
Bár a NEDERLAND soha nem készülhetett el, idősebb testvére, a BELGENLAND túljutott a háború jelentette kritikus perióduson, mivel a hajótest építése a háború kitörésekor már annyira előrehaladott állapotban volt, hogy nem érte meg szétbontani, sokkal kifizetődőbbnek bizonyult félkész állapotban is üzemképessé tenni, majd a háborút követően befejezni az eredeti tervek szerint. Még akkor is, ha Belgium német megszállása után a Red Star Line aligha vehette hasznát… Amint az első világháborúban gyorsan előrenyomuló német hadsereg megszállta Antwerpent, a cég vezetése úgy döntött, hogy nem hagy hátra semmit az ellenségnek, s a társaság hajóit átadják az amerikai anyavállalatnak. A Nemzetközi Kereskedelmi Hajózási Társaság ekkor úgy döntött, hogy a városban horgonyzó minden IMMC-hajónak parancsot ad a kifutásra, az Antwerpen felé úton lévő többi hajót pedig külföldi kikötőkbe irányítja. Óvintézkedésként minden Red Star-hajó amerikai lobogó alatt hajózott, kivéve a SAMLAND és a GOTHLAND, amelyeket az amerikai Nyomorenyhítő Bizottság használt a megszállt Belgium és Észak-Franciaország éhező lakosságának szánt élelmiszer-szállítmányok célba juttatására a hollandiai Rotterdamon keresztül. A Red Star Line tehát formálisan fennmaradt, irodáit azonban a német megszállás idejére Liverpoolba helyezték át.
1914. december 31-én a Harland & Wolff jelentette, hogy a BELGENLAND vízrebocsátásra készen áll. Nem tudjuk, hogy az eseményen a Red Star Line vállalatot, vagy az IMMC-t képviselte-e valaki. Magáról az eseményről is csupán a belfasti helyi lapok tudósítottak: „A belfasti hajógyártásnak az éppen befejeződő évre vonatkozó teljesítmény-kimutatása szerint a Harland és Wolff, egyedül a belfasti telephelyén, – ahol néhány nap múlva vízrebocsátják a belga Red Star Line társaság BELGENLAND nevű óceánjáróját – eléri a 156 000 tonnás teljesítményt, s ezt az óriási tonnatartalmat az év során vízrebocsátott hat hajó foglalja magában. A BRITANNIC White Star liner, a STATENDAM Holland-Amerika gőzös, és a BELGENLAND a három legnagyobb hajó az Egyesült Királyságban, amelyek együttesen 110 000 tonnát képviselnek."
A Harland & Wolff Hajógyár által a Red Star Line részére az OLYMPIC-osztályú hajók alapul vételével tervezett két hajó közül az első tehát végül is megszületett, ám ez kétségkívül nehéz szülés volt. A háborúban csapat- és utánpótlás-szállításra használt félkész hajót csak 1921 márciusában vették ismét munkába a Harland & Wolff-nál, hogy a hiányzó részeit felépítsék, s csak 1923 áprilisában adták át belga tulajdonosainak. Ezzel a BELGENLAND lényegében az utolsó olyan óceánjáró volt, amely bizonyíthatóan az OLYMPIC-osztály terveinek a hatása alatt épült. Ennek fényében érthető, hogy miért válhatott olyan egyedülállóvá az OLYMPIC-osztály (s ebben nemcsak a TITANIC elsüllyedése játszott szerepet): Az az elementáris hatás, amit az alapvetően új hajóóriás keltett, a saját testvérein – a TITANIC-on és a BRITANNIC-on (ex-GIGANTIC-on) – kívül a háború kitöréséig csupán három hajó terveiben ölthetett testet: a STATENDAM-ban, a BELGENLAND-ban és közvetett módon az AQUITANIA-ban. Utóbbi megtervezéséhez a megrendelő Cunard Line még a tervező Leonard Peshkett-et is befizette egy útra az OLYMPIC-ra...
A BELGENLAND-nak ugyan lett volna egy testvére, a NEDERLAND, a White Star pedig a BRITANNIC után GERMANIC néven akart építtetni még egy hajót (az elsüllyedt TITANIC pótlására, kisebb méretben, "csak" 33 600 tonnával, ami viszont pont a STATENDAM és a BELGENLAND méretkategóriája), ám ezeket elsodorta a háború. Az OLYMPIC-osztálynak tehát – bár alapvető hatást gyakorolt a tervezők és a hajótulajdonosok gondolkodására – nemzetközi sorozatgyártású szériamodellként nem maradt ideje kifutni. Az az idő, amiben ez megtörténhetett volna, háborúval és az azt követő lábadozással telt el, s mire a világ magához tért az egymást követő válságok után, már alapvetően új technológia uralta a tengert, amely olyan szuper-óceánjárókat eredményezett, mint a BREMEN, a REX, a NORMANDIE, vagy a QUEEN MARY.

14. ábra: Az OLYMPIC-osztály mintáját követő típus-család utolsó egységei: A BELGENLAND, az 1923-as átadást követő állapotában (fent), az 1921-ben átadott ARUNDEL CASTLE (középen) és az OCEANIC III 1926 januárjában készült első tervei (lent). Ezek voltak az utolsó hajók, amelyek tervezésénél még teljes egészében érvényesült az OLYMPIC-osztály terveinek hatása. Készítette: Dr. Balogh Tamás.
 
Frissítés:
Egy év telt el azóta, hogy 2022 elején elkészült a fenti cikk, amely bemutatta a Red Star Line végül fel nem épült NEDERLAND nevű óriásgőzösének terveit. Nos, azóta több új információt is sikerült megismerni, így a tervek rekonstrukciójára tett korábbi kísérletet korrigálni kellett. Az eredmény az alábbiakban látható:

15. ábra: A NEDERLAND (No 469) az Ocean Liner Deck Plans facebook-csoport és Maasdam McAdam jóvoltából.
 

16. ábra: A hajó oldal- és felülnézeti terveinek az új információk fényében felülvizsgált rekonstrukciója (készítette: Dr. Balogh Tamás).
 

17. ábra: Impresszió a hajóról az oldalnézeti tervek továbbfejlesztett rekonstrukciója alapján (készítette: Dr. Balogh Tamás).
A legfrisebb kutatási eredményekkel 2025-ben pontosította Yumi Watanabe: itt.
 
Források:
Dr. Balogh Tamás: „A trident elragadása” Az óceánjárók építésének és üzemeltetésének állami támogatása és a Morgan-tröszt a századfordulón, Budapest, 2017.
Dr. Balogh Tamás: Az OLYMPIC-osztály tervezése, kézirat, Budapest, 2021.
Dr. Balogh Tamás: A belga OLYMPIC – a BELGENLAND története, kézirat, Budapest, 2018.
Dr. Balogh Tamás: A holland TITANIC – az s.s. STATENDAM története, Budapest, 2018.
Dr. Balogh Tamás: A TITANIC katasztrófája és a mentőcsónak-rendszerek fejlődése, Budapest, 2014.
Buxton, Ian: Big gun monitors, Pen and Sword Books Ltd. 2008, Barnsley, UK, 17. o., 47. o. 
 
Chirnside, Marc: Whatever happened to Germanic/Homeric?
C., Robert: s.s. NEDERLAND
David L. Williams, Richard P. De Kerbrech: Great Passenger Ships That Never Were: Damned by Destiny Revised, History Press, 2019.
Hume, John R. Moss, Michael S.: Shipbuilders to the World: 125 Years of Harland and Wolff, Belfast, 1861-1986, Blackstaff Press Ltd, 1986., 177. o.
 
Nagyszerű, ha tetszik a cikk és a benne megosztott képek. Ha érdeklik a szerző munkái, az Encyclopedia of Ocean Liners Fb-oldalán találhat további információkat a szerzőről és munkásságáról.
A képek megosztása esetén, a bejegyzésben mindig tüntesse fel az alkotó nevét. Köszönöm!
 

 
 
			 
			
Utolsó kommentek